Главная > Мехатроника > Линейные электроприводы LED-S



Линейные электроприводы M-ROBO компактных размеров серии LED-S с шарико-винтовой передачей имеют высокие эксплуатационные характеристики, такие как высокая жесткость, скорость, точность и повторяемость. Их можно легко комбинировать и выстраивать в многоосевые системы линейного перемещения с числовым программным управлением.
В качестве направляющих применены шариковые направляющие с нулевым люфтом, что обеспечивает высокую грузоподъемность и прецизионные перемещения больших масс на высокой скорости. В комплектации с зубчатым ремнем могут быть достигнуты высокие моменты при переменных нагрузках с хорошей точностью позиционирования, низким износом и низким уровнем шума. В комплектации с шарико-винтовй передачей обеспечены высокие моменты и грузоподъемность с высокой точностью и повторяемостью позиционирования.
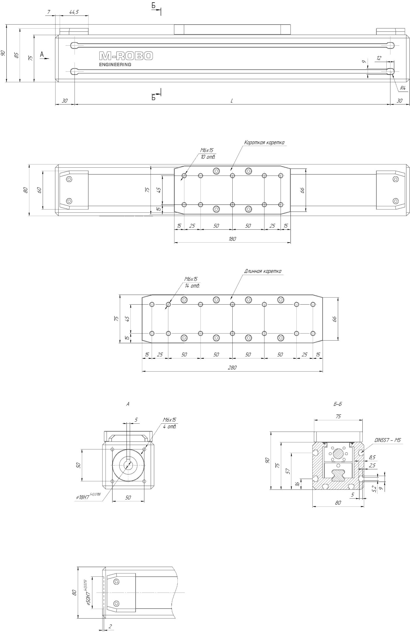
Самонесущий алюминиевый корпус изготовлен из цельной заготовки, имеет большую площадь сечения. В корпусе имеются Т-образные пазы для крепления линейного привода, датчиков и переключателей. Антикоррозионная защитная планка с уплотнительной резинкой и крышками предотвращают попадание пыли и других загрязнений на рабочие органы. Подвижная плита изготовлена из алюминия и имеет сетку присоединительных отверстий с резьбой. Все детали покрываются защитным слоем методом химического анодирования.
Условия эксплуатации:
Температура окружающей среды - 0...60 градусов С;
Класс защиты - IP40;
Срок сулжбы - 7 лет;
Количество рабочих циклов - 5 млн.;
Периодичность технического обслуживания - 500 тыс. циклов.
(1) (2) (3) (4) (5)
(1) Серия
LED - Линейный электропривод
(2) Серия
B - передача зубчатый ремень
S - передача шарико-винтовая пара
(3) Ширина профиля (мм)
65, 80, 110
L - удлиненная каретка
(4) Рабочий ход (мм)
200...4000 (кратно 100 мм)
(5) Тип концевых выключателей
G - герконовые
I - индукционные
GI - герконовые и индукционные


Рабочий ход от 200 мм до 1800 мм (кратно 100 мм);
Максимальная скорость перемещения - 150 мм/сек;
Точность позиционирования - 0,01 мм на 300 мм хода;
Тип корпуса – плита Д16 с Т-образными пазами;
Тип направляющих – прецизионные рельсовые направляющие Hiwin HGR20, класс точности Н (±0,012 мм на 500 мм);
Система смазки направляющей и каретки – блок автоматической смазки заправляемый;
Тип передачи – шарико-винтовая передача (ШВП);
Тип привода – серводвигатель переменного тока;
Повторяемость позиционирования– 0,12 мм на 300 мм;
Дискретность задания перемещения (минимальное перемещение, которое может быть задано в управляющей программе) – 0,001 мм.
1. Линейный электропривод M-ROBO LED-S-65;
2. Сервомотор;
3. Комплект датчиков;
4. Комплект соединительных проводов;
5. Комплект прижимов для закрепления;
6. Руководство и паспорт по эксплуатации.


Рабочий ход от 200 мм до 3000 мм (кратно 100 мм);
Максимальная скорость перемещения - 150 мм/сек;
Точность позиционирования - 0,01 мм на 300 мм хода;
Тип корпуса – плита Д16 с Т-образными пазами;
Тип направляющих – прецизионные рельсовые направляющие Hiwin HGR20, класс точности Н (±0,012 мм на 500 мм);
Система смазки направляющей и каретки – блок автоматической смазки заправляемый;
Тип передачи – шарико-винтовая передача (ШВП);
Тип привода – серводвигатель переменного тока;
Повторяемость позиционирования– 0,12 мм на 300 мм;
Дискретность задания перемещения (минимальное перемещение, которое может быть задано в управляющей программе) – 0,001 мм.
1. Линейный электропривод M-ROBO LED-S-80;
2. Сервомотор;
3. Комплект датчиков;
4. Комплект соединительных проводов;
5. Комплект прижимов для закрепления;
6. Руководство и паспорт по эксплуатации.


Рабочий ход от 200 мм до 4000 мм (кратно 100 мм);
Максимальная скорость перемещения - 150 мм/сек;
Точность позиционирования - 0,01 мм на 300 мм хода;
Тип корпуса – плита Д16 с Т-образными пазами;
Тип направляющих – прецизионные рельсовые направляющие Hiwin HGR20, класс точности Н (±0,012 мм на 500 мм);
Система смазки направляющей и каретки – блок автоматической смазки заправляемый;
Тип передачи – шарико-винтовая передача (ШВП);
Тип привода – серводвигатель переменного тока;
Повторяемость позиционирования– 0,12 мм на 300 мм;
Дискретность задания перемещения (минимальное перемещение, которое может быть задано в управляющей программе) – 0,001 мм.
1. Линейный электропривод M-ROBO LED-S-110;
2. Сервомотор;
3. Комплект датчиков;
4. Комплект соединительных проводов;
5. Комплект прижимов для закрепления;
6. Руководство и паспорт по эксплуатации.